一、ESD 靜電對電路的影響
ESD(靜電放電)是一種常見的電磁干擾現象,它會對電路產生短時間、高能量的脈沖干擾。ESD 脈沖電壓可高達數千伏,能量密度較大,足以瞬間擊穿半導體器件的微觀結構,從而對電路造成永久性損壞或性能下降。在集成電路、敏感電子元件以及精密傳感器等電路中,ESD 威脅尤為嚴重。
二、降低 ESD 靜電的方法
(一)使用鉗位二極管
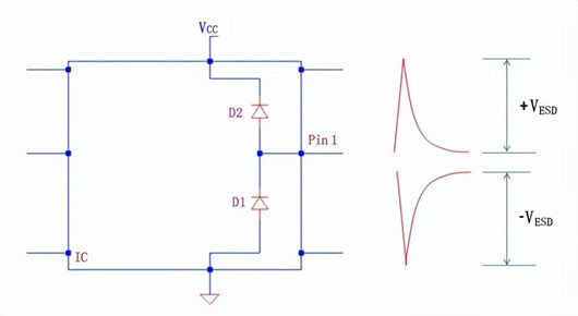
鉗位二極管是電路設計中常用的 ESD 保護元件。在集成電路中,微控制器、數字信號控制器和處理器通常內部集成了 ESD 鉗位二極管,以增強其抗靜電能力。對于一些低成本控制器,如果內部沒有鉗位二極管,可以在外部添加鉗位二極管進行保護,尤其適用于編程引腳、復位引腳和數據引腳等關鍵信號引腳。


正常工作時,若引腳 1 的電壓設計范圍為 0 - 3.3V,鉗位二極管 D1 和 D2 不會干擾電路正常工作。當引腳電壓為 3.3V 高電平時,D1 反偏不導通,D2 也因陰極連接到 VCC 而不導通;當引腳電壓為 0 時,D2 反向偏置,D1 無偏置。
當存在由 ESD 引起的高壓尖峰時,鉗位二極管會迅速導通,將過壓能量引導到 VCC 或地,從而保護 IC 的內部組件。例如,當出現高正尖峰時,D2 正向偏置,將尖峰電流導向 VCC;當存在高負尖峰時,D1 導通,將尖峰電流導向地。
需要注意的是,并非在 IC 的所有引腳都適合添加鉗位二極管,那樣會增加不必要的成本和復雜性。鉗位二極管通常用于實現特殊功能的引腳較少的 IC。鉗位二極管可以選擇硅二極管或肖特基二極管,具體選擇依據電路工作電壓、電流參數以及 ESD 保護需求而定。


(二)使用瞬態電壓抑制器(TVS)
TVS 是一種快速作用的鉗位二極管,與普通 PN 二極管不同。它在達到其擊穿電壓時會迅速鉗位,否則保持開路狀態。TVS 具有響應速度快、瞬態功率大、漏電流低等優點,能有效抑制 ESD 引起的瞬態過電壓。
常見的 TVS 符號有雙向和單向之分。圖 A、B 為雙向 TVS,能抑制正負兩個方向的 ESD 尖峰;圖 C 為單向 TVS,主要用于抑制單一方向的尖峰電壓。在 ESD 保護應用中,雙向 TVS 通常更能滿足大多數場景的需求,因為它能夠應對多種極性的靜電放電。


TVS 在電路中通常并聯在被保護電路的兩端,一旦出現過電壓,TVS 會在極短時間內導通,將過電壓鉗位在安全范圍內,從而保護后級電路不受損害。它常用于電源線、數據接口、通信線路等易受 ESD 干擾的部位。
(三)使用齊納二極管
齊納二極管也可用于 ESD 保護,其工作原理與單向 TVS 相似。齊納二極管在反向擊穿時具有穩定的擊穿電壓,可以將過電壓鉗位在該電壓值附近,從而保護電路免受過高電壓的沖擊。
然而,齊納二極管存在一些缺點。與 TVS 相比,齊納二極管的響應速度較慢,無法像 TVS 那樣快速地抑制瞬態過電壓。此外,在相同尺寸下,齊納二極管能夠處理的能量較小。若要使其能承受較高的能量,需要增大齊納二極管的尺寸,但這會增加 PCB 空間占用和成本。因此,在選擇 ESD 保護元件時,需綜合考慮電路的響應速度要求、能量處理能力和成本等因素。
(四)合理布局和布線
在 PCB 設計中,合理的布局和布線是降低 ESD 影響的重要手段。高頻信號線應盡量遠離敏感元件,如模擬電路、精密傳感器和微控制器等,以減少高頻干擾對敏感電路的耦合。地線的設計也至關重要,應盡量短且寬,以降低地線阻抗,確保地電位的穩定。此外,對于敏感電路,可以采用屏蔽措施,如使用金屬外殼或屏蔽材料進行包裹,從而隔絕外部干擾信號。
(五)選擇合適的元件
在抗干擾設計中,選擇合適的電容和電感對抑制高頻噪聲至關重要。例如,使用具有高自諧振頻率的電容和低直流電阻的電感,可以有效濾除高頻噪聲。此外,抗干擾元件如共模扼流圈、TVS 二極管等的選用也非常關鍵。共模扼流圈能夠抑制共模干擾信號,而 TVS 二極管則在瞬態過電壓保護方面表現出色。這些元件的合理組合使用,可以顯著提高電路的抗干擾能力,增強電路對 ESD 的抵御性能。
〈烜芯微/XXW〉專業制造二極管,三極管,MOS管,橋堆等,20年,工廠直銷省20%,上萬家電路電器生產企業選用,專業的工程師幫您穩定好每一批產品,如果您有遇到什么需要幫助解決的,可以直接聯系下方的聯系號碼或加QQ/微信,由我們的銷售經理給您精準的報價以及產品介紹
聯系號碼:18923864027(同微信)
QQ:709211280

