一、NPN型三極管恒流源電路構架與運行機理
該電路由兩個NPN型三極管 Q1與 Q2協同構成。

當輸入電壓源維持在0V狀態時,Q1和Q2處于截止狀態,致使發光二極管D1無法導通,呈現熄滅狀態。

當輸入電壓源維持在0V狀態時,Q1和Q2處于截止狀態,致使發光二極管D1無法導通,呈現熄滅狀態。
一旦電壓源提升至3.3V,Q1和 Q2隨之進入導通狀態,此時D1成功被點亮。在此過程中,Q1和 Q2均處于放大區,以此確保電路的線性調節性能。若 Q2陷入飽和區,其基極電壓將迫使 Q1基極電位降低,致使 Q1截止,進而導致 Q2同樣截止。同理,若 Q1處于飽和區,且輸入電壓提升至5V,D1的導通電壓為2V,那么 R2兩端將承受3V電壓,致使 Q2啟動,將 Q1基極電位拉低,最終使 Q1截止,保障電路的穩定運行。
二、NPN型三極管電路的恒流調控機制
(一)電流上升場景
當發光二極管D1電流呈現上升趨勢時,流經 R2的電流亦隨之同步上升。這將導致 Q2基極電壓升高,進而促使 Q2導通程度加深,拉低其集電極 - 發射極電壓(Vce),即降低 Q1基極電壓。此操作直接致使流經 R2的電流回落,借助負反饋機制實現電流的自我調節,直至電路恢復動態平衡。
(二)電流下降場景
反之,若發光二極管D1電流出現下降,流經 R2的電流也會相應減少,使得 Q2基極電壓降低,從而導致 Q2集電極 - 發射極電壓(Vce)上升,即 Q1基極電壓升高。這一變化會促使 R2電流增加,進而使發光二極管D1電流回升,再次通過負反饋調節,直至電路達到穩定狀態。通過這一恒流調控機制,流經負載D1的電流得以維持在恒定水平。具體恒定電流值由 Q2基極 - 發射極電壓(約0.7V)與 R2阻值(51Ω)決定,計算得恒定電流約為13.7mA。
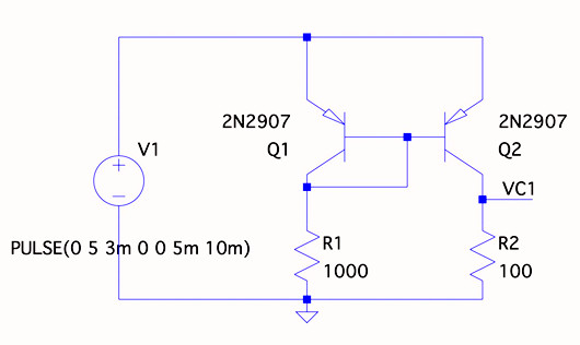
三、PNP型三極管恒流源電路原理剖析


該電路架構中,R1為 Q1提供電流路徑,Q1電流經 R1流向地(GND)。Q1與 Q2共享同一偏置電流,鑒于Q1和 Q2的Vbe值相同,流經 R1的電流與流經 R2的電流相等。

此電路巧妙利用 Q2的基極 - 發射極導通電壓(0.6~0.7V)特性實現恒流控制。

此電路巧妙利用 Q2的基極 - 發射極導通電壓(0.6~0.7V)特性實現恒流控制。
當 Q2導通時,會拉低 Q1基極電壓,導致 Q1截止,負載R1因而無法正常工作。此時,流經負載R1的電流等同于流經 R6的電流,而 R6電流由其兩端0.6~0.7V電壓與自身阻值(固定值)的比值決定。即便負載R1的供電端VCC電壓出現波動,流經 R1的電流仍能保持恒定,從而達成精準的恒流效果,確保電路在不同工況下的穩定性與可靠性。
〈烜芯微/XXW〉專業制造二極管,三極管,MOS管,橋堆等,20年,工廠直銷省20%,上萬家電路電器生產企業選用,專業的工程師幫您穩定好每一批產品,如果您有遇到什么需要幫助解決的,可以直接聯系下方的聯系號碼或加QQ/微信,由我們的銷售經理給您精準的報價以及產品介紹
聯系號碼:18923864027(同微信)
QQ:709211280

