一、正激式變壓器開關電源
正激式變壓器開關電源是一種常見的電源架構,在其工作過程中,變壓器初、次級線圈的激勵與功率傳輸具有明確的時序關聯。具體而言,當變壓器的初級線圈被直流電壓激勵時,次級線圈恰有功率輸出。

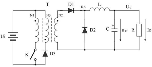
我們可以通過一個簡化的原理圖(圖1)來深入理解其工作機理。

我們可以通過一個簡化的原理圖(圖1)來深入理解其工作機理。
在圖1中,各元件承擔著關鍵作用:Ui為開關電源的輸入電壓源頭,T是核心的開關變壓器,K是用于控制電路通斷的開關,L和C分別為儲能濾波電感和電容,D2及D3分別是續流二極管與削反峰二極管,而R則代表負載電阻。特別需要注意的是開關變壓器初、次級線圈的同名端,若同名端的確定出現偏差,將直接改變電路的工作模式,使其不再屬于正激式架構。
從相關公式可知,改變控制開關K的占空比D,主要影響輸出電壓的平均值Ua,而對于輸出電壓的幅值Up并無改變。因此,正激式變壓器開關電源在應用于穩壓電源場景時,通常采用電壓平均值輸出方式,以滿足穩定的電壓供應要求。以下是正激式變壓器開關電源的電壓、電流波形圖,直觀呈現了各物理量隨時間的變化規律。


二、反激式變壓器開關電源


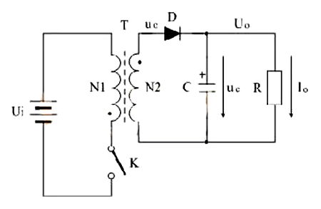
反激式變壓器開關電源的工作原理同樣基于變壓器的電磁感應特性,但其電路架構與正激式有所不同。以下是反激式變壓器開關電源的簡單工作原理圖,其中Ui為輸入電壓,T是開關變壓器,K是控制開關,C是儲能濾波電容,R為負載電阻。


與正激式類似,反激式變壓器開關電源的電壓輸出波形也有其獨特的特征。以下是其電壓輸出波形圖,展示了在開關動作下輸出電壓的動態表現。總體而言,正激式與反激式變壓器開關電源在電路結構、工作原理以及應用場景等方面存在一定差異,設計者可根據實際需求進行選擇與應用。
〈烜芯微/XXW〉專業制造二極管,三極管,MOS管,橋堆等,20年,工廠直銷省20%,上萬家電路電器生產企業選用,專業的工程師幫您穩定好每一批產品,如果您有遇到什么需要幫助解決的,可以直接聯系下方的聯系號碼或加QQ/微信,由我們的銷售經理給您精準的報價以及產品介紹
〈烜芯微/XXW〉專業制造二極管,三極管,MOS管,橋堆等,20年,工廠直銷省20%,上萬家電路電器生產企業選用,專業的工程師幫您穩定好每一批產品,如果您有遇到什么需要幫助解決的,可以直接聯系下方的聯系號碼或加QQ/微信,由我們的銷售經理給您精準的報價以及產品介紹
聯系號碼:18923864027(同微信)
QQ:709211280

