MOS管常見的幾種驅動電路設計(但不限于)以及如何選擇合適的驅動電路設計來驅動MOS管。
MOS管有著導通內阻低,開關速度快等優勢,被廣泛應用在開關電源中。因此對于一個MOS管來說,其驅動電路的設計就顯得十分關鍵。
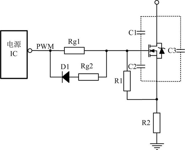
電源IC驅動電路
一種常見的MOS管驅動電路設計。它使用集成的電源IC作為驅動芯片,通過提供恰當的電源電壓和電流來控制MOS管的開關狀態。這種設計具有簡單、可靠的特點,并且能夠提供穩定的驅動信號。

推挽驅動電路
也是一種常見的MOS管驅動電路設計。它由兩個反向并聯的驅動器組成,一個驅動器用于將MOS管的柵極驅至高電平,另一個驅動器用于將MOS管的柵極驅至低電平。通過交替地控制兩個驅動器,推挽驅動電路能夠實現對MOS管的正向和反向驅動,從而實現信號的放大和輸出。

半橋驅動電路
特別適用于驅動兩個串聯的MOS管。它由兩個驅動器組成,一個驅動器用于控制上面的MOS管,另一個驅動器用于控制下面的MOS管。通過交替地控制兩個驅動器,半橋驅動電路能夠實現對兩個MOS管的正向和反向驅動,從而實現信號的放大和輸出。

加速關斷驅動電路
用于提高MOS管的關斷速度。它通過在MOS管的關斷過程中施加一個高電壓脈沖,使MOS管迅速關斷,從而減少開關過程中的功率損耗和熱量產生。
如何選擇合適的驅動電路設計來驅動MOS管 ?
1. 驅動電流要足夠大:足夠的驅動電流使MOSFET柵源極間電壓迅速上升到所需水平,能夠保證 MOS 管的快速開通,從而提高電路的工作效率。
2.驅動電壓要適中:過高的驅動電壓可能會導致 MOS 管的柵極電壓過沖,從而影響其壽命。
3.輸出阻抗要低:低的輸出阻抗能夠保證驅動電路的輸出電壓穩定,從而提高 MOS 管的開關性能。
以上部分資料來源于網絡。實際應用須根據具體情況進行分析。
〈烜芯微/XXW〉專業制造二極管,三極管,MOS管,橋堆等,20年,工廠直銷省20%,上萬家電路電器生產企業選用,專業的工程師幫您穩定好每一批產品,如果您有遇到什么需要幫助解決的,可以直接聯系下方的聯系號碼或加QQ/微信,由我們的銷售經理給您精準的報價以及產品介紹
聯系號碼:18923864027(同微信)
QQ:709211280

