MOS管通常具有非常強大的電壓電流調節能力,但是具有小型封裝,散熱還很好,性能也表現強大的MOS管是不多的,客戶需要這樣的MOS管。
烜芯微生產的MOS管XXW150N03F產品具有良好的電氣性能,它采用N溝道制作,它的導通電阻非常低,漏源導通電阻0.0022歐姆,能承受的最大漏源電壓達30V,高耐壓性使得它在較高的電壓下穩定工作。柵源電壓±20V,耐電流能力強大,連續漏極電流150A,柵極驅動電壓很低,最小柵極閾值電壓1.1V,最大柵極閾值電壓2.4V,耗散功率75mW,適合于低功耗場景,重量約0.016克,輕巧實用。開關速度快,可以減少電路中的開關損耗,提高電路工作效率,適合于很多高速的開關電路。


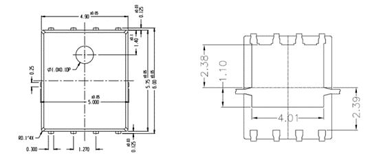
烜芯微這款產品采用的是PDFN5X6封裝,產品具有緊湊型、性能可靠且強大、小型化、貼裝方便等特點,適用于小空間且對電路性能要求高的電路上。產品采用雙面散熱技術,意味著熱量不僅可以從封裝底部散發,還可以從頂部散發,顯著提高了散熱效率。這種技術有助于降低芯片的工作溫度,從而提高設備的穩定性和可靠性。較低的熱阻有助于芯片產生的熱量更快速地傳遞到外部環境,增強散熱。


XXW150N03F產品能夠承受較大的電流負載,適用于需要處理大電流的電路。優秀的導通電阻使得這個管子在導通狀態下,它能夠以較低的電阻通過電流,從而減少能量損耗,提高電路工作效率。


由于XXW150N03F產品的性能強大,這讓它在很多應用場景中發揮高效。比如電源管理應用,XXW150N03F可應用在DC-DC轉換器和功率放大器等上面,低導通電阻和高電流承載能力使其成為這些電路應用中的理想選擇。而在電池管理系統,XXW150N03F管可用于充放電保護,確保電池的正常運行,高可靠性和低RDS(on)特性有助于延長電池壽命,提高系統效率。電機驅動控制產品中也可以看到這款MOS的身影,由于其高電流承載能力和快速開關特性,XXW150N03F產品常用于不間斷電源、逆變器和電動工具等產品中。
MOS管在電機控制中扮演著關鍵左右,通過不斷改變上面這個MOS管的開關狀態,可以實現對電機M的調速控制。當需要使電機正轉并實現調速時,可以通過控制MOS管的導通和截止來實現。當MOS管導通時,電流可以流向電機,從而使其正轉,當MOS管截止時,電流被切斷,電機停止轉動。通過調節MOS管的導通時間和截止時間的比例,可以實現電機轉速的調節。直流電機的轉速控制還可以通過脈沖寬度調制)技術實現,即通過改變MOS管的開關頻率和導通/截止時間比例,進一步精細調整電機的轉速和扭矩。


在如圖的電動工具應用中,烜芯微有六顆MOS管XXW150N03F被采用,這個是比較常用在30V以下的的無繩扳手、無繩手電鉆、無繩圓鋸、無繩便攜照明燈和無繩電錘等產品上,如圖是某產品內部的電路圖,常用的電壓通常在18V和20V不等,XXW150N03F耐壓值30V夠用。
除了這些應用,XXW150N03F產品還可用于電轉、無人機等上面。烜芯微對品質要求苛刻,XXW150N03F產品在出廠前需要通過嚴格的測試和篩選,確保其高雪崩耐量和長壽命,適應電路的高可靠性要求。
〈烜芯微/XXW〉專業制造二極管,三極管,MOS管,橋堆等,20年,工廠直銷省20%,上萬家電路電器生產企業選用,專業的工程師幫您穩定好每一批產品,如果您有遇到什么需要幫助解決的,可以直接聯系下方的聯系號碼或加QQ/微信,由我們的銷售經理給您精準的報價以及產品介紹
聯系號碼:18923864027(同微信)
QQ:709211280

