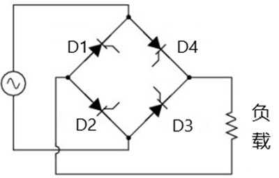
橋式整流電路
橋式整流電路(全波橋式整流電路),是一種將交流電轉換成直流電的電子電路。這種電路能夠將輸入的交流電壓中的正負交替變化的電流都轉換為單向的直流電流,因而得名全波整流。
橋式整流電路由四個二極管組成,其排列形成一個“橋”形狀,故得名。這四個二極管的連接方式使得在交流電的每個半周期中,都有兩個二極管導通,將交流電轉換為脈動的直流電。其核心在于二極管的單向導電特性,這使得電流只能沿一個方向流動,從而實現整流。
橋式整流電路圖


(a )為橋式整流電路圖 (b)圖為其簡化畫法
橋式整流電路工作原理
在交流輸入信號的正半周期內,即當輸入電壓的極性為正時,二極管D1和D2呈現正向偏置,這意味著它們的陽極相對于陰極處于更高的電位,從而使得它們能夠導電。同時,D3和D4則承受反向偏置,也就是說,它們的陰極電位高于陽極,因此這些二極管是關閉狀態,不會導電。


當輸入電壓升高,超過二極管D1和D2的開啟閾值(通常約為0.7伏特)時,這兩個二極管開始導通。此時,電流能夠通過D1或D2流向負載,并沿著電路中紅線所示的路徑流動。與此同時,由于D3和D4仍然處于不導電的狀態,電流不會流經這兩個二極管。
這種導通和關閉的組合導致了全波整流中的單向電流流動:在正半周期內,電流經過D1或D2到達負載;而在負半周期內,情況相反,電流會經過D3或D4到達負載。結果是,無論輸入電壓的極性如何變化,負載上的電流方向都保持一致,實現了從交流到直流的轉換。
橋式整流電路圖
非受控橋式整流電路


如圖所示,該橋式整流電路使用二極管對輸入信號進行整流。由于二極管是一種單向器件,僅允許電流沿一個方向流動。使用整流電路中的這種二極管配置,它不允許功率根據負載要求而變化。所以這種類型的整流電路用于恒定或固定電源。
可控橋式整流電路


在這種類型的整流器中,AC/DC 轉換器或整流器--代替不受控制的二極管,使用可控固態器件(如 SCR、MOSFET、IGBT 等)來改變不同電壓下的輸出功率。通過在不同的時刻觸發這些設備,負載的輸出功率得到適當的改變。
〈烜芯微/XXW〉專業制造二極管,三極管,MOS管,橋堆等,20年,工廠直銷省20%,上萬家電路電器生產企業選用,專業的工程師幫您穩定好每一批產品,如果您有遇到什么需要幫助解決的,可以直接聯系下方的聯系號碼或加QQ/微信,由我們的銷售經理給您精準的報價以及產品介紹
聯系號碼:18923864027(同微信)
QQ:709211280

