全橋式變壓器開關電源也屬于雙激式變壓器開關電源。它同時具有推挽式變壓器開關電源電壓利用率高,又具有半橋式變壓器開關電源耐壓高的特點。
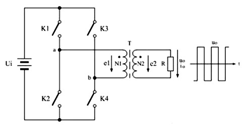
本文介紹的是全橋式變壓器開關電源電路圖。如下圖所示,圖中,K1、K2、K3、K4是4個控制開關,它們被 分成兩組;K1和K4為一組,K2和K3為另一組。
開關電源工作的時候,總是一組接通,另一組關斷,兩組控制開關輪流交替工作;T為開關變壓器,N1為變 壓器的初級線圈,N2為變壓器的次級線圈;Ui為直流輸入電壓,R為負載電阻;uo為輸出電壓,io為流過負載的電流。
當控制開關K1和K4與控制開關K2和K3正好組成一個電橋的兩臂,變壓器作為負載被跨接于電橋兩臂的中間。
在圖中,當控制開關K1和K4接通時候,電源電壓Ui被加到變壓器初級 線圈N1繞組的a、b兩端,同時,由于電磁感應的作用在變壓器次級線圈N2繞組的兩端也會輸出一個與N1繞組輸入電壓Ui成正比的電壓,并加到負載R的兩 端,使開關電源輸出一個正半周電壓。
當控制開關控制開關K1和K4由接通轉為關斷的時候,控制開關K2和K3則由關斷轉為接通,電源電 壓Ui被加到變壓器初級線圈N1繞組的b、a兩端;
同理,由于電磁感應的作用在變壓器次級線圈N2繞組的兩端也會輸出一個與N1繞組輸入電壓成正比的電 壓,并加到負載R的兩端,使開關電源輸出一個負半周電壓。
當控制開關K1和K4接通時候,電源電壓Ui被加到變壓器初級線圈N1繞組的a、b兩端,在變壓器 初級線圈N1繞組中將有電流經過,通過電磁感應會在變壓器的鐵心中產生磁場,并產生磁力線;
同時,在初級線圈N1繞組的兩端要產生自感電動勢e1,在次級 線圈N2繞組的兩端也會產生感應電動勢e2;感應電動勢e2作用于負載R的兩端,從而產生負載電流。

〈烜芯微/XXW〉專業制造二極管,三極管,MOS管,橋堆等,20年,工廠直銷省20%,上萬家電路電器生產企業選用,專業的工程師幫您穩定好每一批產品,如果您有遇到什么需要幫助解決的,可以直接聯系下方的聯系號碼或加QQ/微信,由我們的銷售經理給您精準的報價以及產品介紹
聯系號碼:18923864027(同微信)
QQ:709211280

