這里介紹的逆變器(見圖1)主要由MOS 場效應管,普通電源變壓器構成。其輸出功率取決于MOS 場效應管和電源變壓器的功率,免除了煩瑣的變壓器繞制,適合電子愛好者業余制作中采用。下面介紹該逆變器的工作原理及制作過程。
1.電路圖


2.工作原理
這里我們將詳細介紹這個逆變器的工作原理。
2.1.方波信號發生器(見圖2)

圖2 方波信號發生器
這里采用六反相器CD4069構成方波信號發生器。電路中R1是補償電阻,用于改善由于電源電壓的變化而引起的振蕩頻率不穩。電路的振蕩是通過電容C1充放電完成的。其振蕩頻率為f=1/2.2RC.圖示電路的最大頻率為:fmax=1/2.2×3.3×103×2.2×10-6=62.6Hz;最小頻率fmin=1/2.2×4.3×103×2.2×10-6=48.0Hz.由于元件的誤差,實際值會略有差異。其它多余的反相器,輸入端接地避免影響其它電路。
2.2場效應管驅動電路

圖3 場效應管驅動電路
由于方波信號發生器輸出的振蕩信號電壓最大振幅為0~5V,為充分驅動電源開關電路,這里用TR1、TR2將振蕩信號電壓放大至0~12V.如圖3所示。
2.3MOS場效應管電源開關電路
下面簡述一下用C-MOS場效應管(增強型MOS 場效應管)組成的應用電路的工作過程(見圖4)。電路將一個增強型P溝道MOS場效應管和一個增強型N溝道MOS場效應管組合在一起使用。當輸入端為低電平時,P溝道MOS場效應管導通,輸出端與電源正極接通。當輸入端為高電平時,N溝道MOS場效應管導通,輸出端與電源地接通。在該電路中,P溝道MOS場效應管和N溝道MOS場效應管總是在相反的狀態下工作,其相位輸入端和輸出端相反。通過這種工作方式我們可以獲得較大的電流輸出。同時由于漏電流的影響,使得柵壓在還沒有到0V,通常在柵極電壓小于1到2V時,MOS場效應管既被關斷。不同場效應管其關斷電壓略有不同。也正因為如此,使得該電路不會因為兩管同時導通而造成電源短路。

圖4 MOS場效應管電源開關電路
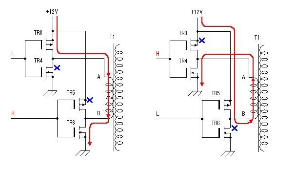
由以上分析我們可以畫出原理圖中MOS場效應管電路部分的工作過程(見圖5)。工作原理同前所述。這種低電壓、大電流、頻率為50Hz的交變信號通過變壓器的低壓繞組時,會在變壓器的高壓側感應出高壓交流電壓,完成直流到交流的轉換。這里需要注意的是,在某些情況下,如振蕩部分停止工作時,變壓器的低壓側有時會有很大的電流通過,所以該電路的保險絲不能省略或短接。

圖5
3、制作要點
電路板見圖6。所用元器件可參考圖7。逆變器用的變壓器采用次級為12V、電流為10A、初級電壓為220V的成品電源變壓器。P溝道MOS場效應管(2SJ471)最大漏極電流為30A,在場效應管導通時,漏-源極間電阻為25毫歐。此時如果通過10A電流時會有2.5W的功率消耗。N溝道MOS場效應管(2SK2956)最大漏極電流為50A,場效應管導通時,漏-源極間電阻為7毫歐,此時如果通過10A電流時消耗的功率為0.7W.由此我們也可知在同樣的工作電流情況下,2SJ471的發熱量約為2SK2956的4倍。所以在考慮散熱器時應注意這點。圖8展示本文介紹的逆變器場效應管在散熱器(100mm×100mm×17mm)上的位置分布和接法。盡管場效應管工作于開關狀態時發熱量不會很大,出于安全考慮這里選用的散熱器稍偏大。


圖6 電路板

圖7所用元器件

圖8 位置分布和接法
4. 逆變器的性能測試
測試電路見圖9.這里測試用的輸入電源采用內阻低、放電電流大(一般大于100A)的12V汽車電瓶,可為電路提供充足的輸入功率。測試用負載為普通的電燈泡。測試的方法是通過改變負載大小,并測量此時的輸入電流、電壓以及輸出電壓。輸出電壓隨負荷的增大而下降,燈泡的消耗功率隨電壓變化而改變。我們也可以通過計算找出輸出電壓和功率的關系。但實際上由于電燈泡的電阻會隨受加在兩端電壓變化而改變,并且輸出電壓、電流也不是正弦波,所以這種的計算只能看作是估算。

圖9 測試電路
以負載為60W的電燈泡為例:假設燈泡的電阻不隨電壓變化而改變。因為R燈=V2/W=2102/60=735Ω,所以在電壓為208V時,W=V2/R=2082/735=58.9W.由此可折算出電壓和功率的關系。通過測試,我們發現當輸出功率約為100W時,輸入電流為10A.此時輸出電壓為200V.
電話:18923864027(同微信)
QQ:709211280
〈烜芯微/XXW〉專業制造二極管,三極管,MOS管,橋堆等,20年,工廠直銷省20%,上萬家電路電器生產企業選用,專業的工程師幫您穩定好每一批產品,如果您有遇到什么需要幫助解決的,可以直接聯系下方的聯系號碼或加QQ/微信,由我們的銷售經理給您精準的報價以及產品介紹

