單片機最小系統,或者稱為最小應用系統,是指用最少的元件組成的以單片機為核心元件的可以正常工作的具有特定功能的單片機系統,是單片機產品開發的核心電路。而且單片機最小系統是在以51單片機為基礎上擴展,使其能更方便地運用于測試系統中。下面將介紹其的組成:
單片機最小系統主要由電源、復位、振蕩電路以及擴展部分等部分組成。最小系統原理圖如圖1所示。

圖1 最小系統電路圖
1.電源供電模塊
對于一個完整的電子設計來講,首要問題就是為整個系統提供電源供電模塊,電源模塊的穩定可靠是系統平穩運行的前提和基礎。51單片機雖然使用時間最早、應用范圍最廣,但是在實際使用過程中,一個和典型的問題就是相比其他系列的單片機,51單片機更容易受到干擾而出現程序跑飛的現象,克服這種現象出現的一個重要手段就是為單片機系統配置一個穩定可靠的電源供電模塊。電源模塊電路如圖2所示。

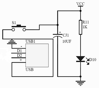
圖2 電源模塊電路圖
此最小系統中的電源供電模塊的電源可以通過計算機的USB口供給,也可使用外部穩定的5V電源供電模塊供給。電源電路中接入了電源指示LED,圖中R11為LED的限流電阻。S1 為電源開關。
2.復位電路
單片機的置位和復位,都是為了把電路初始化到一個確定的狀態,一般來說,單片機復位電路作用是把一個例如狀態機初始化到空狀態,而在單片機內部,復位的時候單片機是把一些寄存器以及存儲設備裝入廠商預設的一個值。復位電路圖如圖3所示。

圖3 復位電路圖
單片機復位電路原理是在單片機的復位引腳RST上外接電阻和電容,實現上電復位。當復位電平持續兩個機器周期以上時復位有效。復位電平的持續時間必須大于單片機的兩個機器周期。具體數值可以由RC電路計算出時間常數。
復位電路由按鍵復位和上電復位兩部分組成。
(1)上電復位:STC89系列單片及為高電平復位,通常在復位引腳RST上連接一個電容到VCC,再連接一個電阻到GND,由此形成一個RC充放電回路保證單片機在上電時RST腳上有足夠時間的高電平進行復位,隨后回歸到低電平進入正常工作狀態,這個電阻和電容的典型值為10K和10uF。
(2)按鍵復位:按鍵復位就是在復位電容上并聯一個開關,當開關按下時電容被放電、RST也被拉到高電平,而且由于電容的充電,會保持一段時間的高電平來使單片機復位。
3.振蕩電路
單片機系統里都有晶振,在單片機系統里晶振作用非常大,全程叫晶體振蕩器,他結合單片機內部電路產生單片機所需的時鐘頻率,單片機晶振提供的時鐘頻率越高,那么單片機運行速度就越快,單片接的一切指令的執行都是建立在單片機晶振提供的時鐘頻率。振蕩電路如圖4所示。

圖4 振蕩電路圖
在通常工作條件下,普通的晶振頻率絕對精度可達百萬分之五十。高級的精度更高。有些晶振還可以由外加電壓在一定范圍內調整頻率,稱為壓控振蕩器(VCO)。晶振用一種能把電能和機械能相互轉化的晶體在共振的狀態下工作,以提供穩定,精確的單頻振蕩。
單片機晶振的作用是為系統提供基本的時鐘信號。通常一個系統共用一個晶振,便于各部分保持同步。有些通訊系統的基頻和射頻使用不同的晶振,而通過電子調整頻率的方法保持同步。
晶振通常與鎖相環電路配合使用,以提供系統所需的時鐘頻率。如果不同子系統需要不同頻率的時鐘信號,可以用與同一個晶振相連的不同鎖相環來提供。
STC89C51使用11.0592MHz的晶體振蕩器作為振蕩源,由于單片機內部帶有振蕩電路,所以外部只要連接一個晶振和兩個電容即可,電容容量一般在15pF至50pF之間。
4.擴展部分
4.1LED電路

圖5 LED電路圖
圖5中主要元件有1K的排阻、LED、。1K的排阻為每個LED的限流電阻。此最小系統提供了8個獨立LED,由P1口控制,采用共陽級接法所以只有當P1口輸出低電平時LED才會點亮。
4.2蜂鳴器電路

圖6 蜂鳴器電路圖
圖6中蜂鳴器使用的是PNP三極管進行驅動控制的,此蜂鳴器為電磁式有源蜂鳴器。三極管的集電極通過蜂鳴器接5V電源,基極是控制端,發射極接地,當單片機的P2.3輸出低電平時,三極管導通,蜂鳴器發聲。蜂鳴器為感性原件,也可以在兩端并接一個二極管來起到泄放作用。
4.3系統的數碼管電路

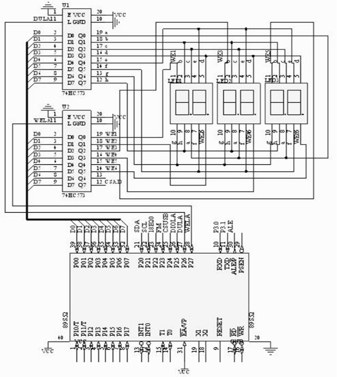
圖7 數碼管電路圖
如圖7所示,多位數碼管的“位選”是可以獨立控制的,而“段選”是連接在一起的,可以用作數碼管的動態顯示和靜態顯示。圖7中所示的數碼管全部為共陰極的數碼管。74HC573為所存器,利用單片機可以控制所存器的所存端,進而控制鎖存器的數據輸出,利用分時控制的方法可以方便地控制任意數碼管顯示任意數字。
4.4系統的鍵盤電路

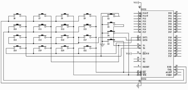
圖8 獨立和矩陣鍵盤電路圖
圖8中S2-S3為4個獨立按鍵,與單片機的P3.4-P3.7分別相連。
獨立鍵盤與單片機相連時,每個按鍵都需要單片機的一個I/O口,若按鍵較多時,占用的I/O口資源就會過多,為此就引入了矩陣鍵盤。圖8中是將16個按鍵排成4行4列,這樣一共有8根線,節省了8個I/O口。S6-S21即為16個矩陣鍵盤,8條線分別與單片機飛P3口相連。
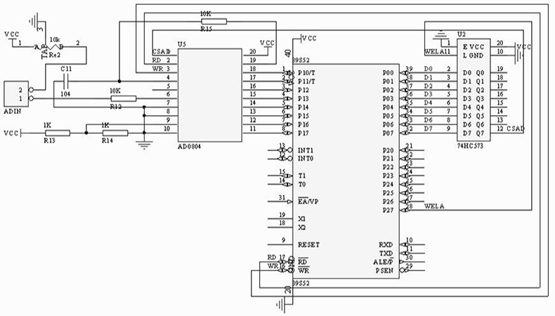
4.5A/D電路

圖9 A/D電路圖
集成A/D轉換器品種繁多,一般選用逐次比較型A/D轉換器,圖9中的ADC0804就是這類單片集成A/D轉換器。它采用CMOS工藝20引腳的集成芯片,分辨率為8位,轉換時間為100us,輸入電壓范圍為0-5V。芯片內具有三態輸出數據鎖存器,可以直接連接數據總線上。
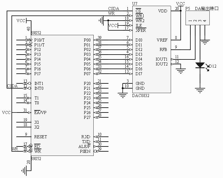
4.6D/A電路

圖10 D/A電路圖
DAC0832是使用非常普遍的8位D/A轉換器,轉換時間為1us,工作電壓為+5V~+15V,基準電壓為正負10V。它主要由兩個8位寄存器和一個8位D/A轉換器組成。其片內有輸入數據緩沖器,可以直接與單片機接口。DAC0832一電流形式輸出,需要轉換為電壓輸出時,可外接運算放大器。
4.7 系統串行通信電路

圖11 串行通信電路圖
RS232串口電路使用MAX232作為電平轉換芯片,可以通過串口電纜連接到計算機背后的COM口,用于單片機與上位機通信以及和其他串口設備的數據交互。
以上就是單片機最小系統的組成介紹了。由于單片機往往是作為一個核心部件來使用,僅單片機方面知識是不夠的,因此還應根據具體硬件結構,以及針對具體應用對象特點的軟件結合,來更好的完善使用。
電話:18923864027(同微信)
QQ:709211280
〈烜芯微/XXW〉專業制造二極管,三極管,MOS管,橋堆等,20年,工廠直銷省20%,上萬家電路電器生產企業選用,專業的工程師幫您穩定好每一批產品,如果您有遇到什么需要幫助解決的,可以直接聯系下方的聯系號碼或加QQ/微信,由我們的銷售經理給您精準的報價以及產品介紹

