1.設計思想
考慮到在流體的遠距離傳輸中系統要在多個點進行檢測,即實際檢測過程中有多個被測量,這就要求系統中有多個傳感器同時進行檢測,因此本系統可應用各路獨立采樣共同轉換的多路模擬輸入通道,該模擬輸入通道結構中每個通道都有采樣保持器,而共用一個A/D轉換器。這種結構能同時對各信號進行采樣,然后分時進行轉化,節省了A/D轉換器。在工作時由于管道中流體的變化或泄漏是緩變的低頻信號,進行取樣時可不用取樣保持電路,所以可用如圖1所示的檢測系統。

圖1 系統框圖
傳感器的作用是將管道內的流體壓力和流量轉換為易于傳輸和控制的電壓或電流,考慮管道是遠距離傳輸,故可根據具體流體的性質選擇電流型或電壓型的壓力變送器和流量變送器,他們分別將管道內的流體壓力和流量轉換為標準的4~20inA或0~l 0V直流信號,以滿足性能要求和提高抗干擾能力。
A/D模塊采用美國NS公司的ADC0808/0809芯片;中央控制單元可采用803 l單片機或其它微型計算機;顯示和報警采用LED顯示和聲光報警系統。
2.系統設計
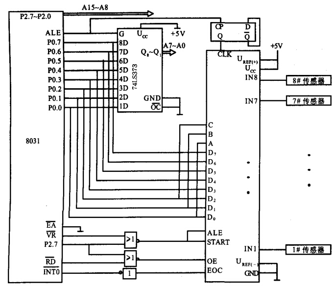
以8路流量巡檢系統為例介紹系統的設計過程。由于流量變化緩慢,所以不用采樣保持器。這樣輸入通道只需由A/D轉換器和多路模擬開關組成。由于檢測精度要求不高,因此可以選擇8通道8位A/D轉換器ADC0809,其滿刻度調整誤差為1LSB=0.391%,小于l%,滿足精度要求。且ADC0809內部具有8通道模擬開關,因此不需另加多路模擬開關。圖2為8路流量巡回檢測系統硬件原理圖。ADC0809的通道選擇由803l的低3位數據線決定;啟動端和地址鎖存允許由8031的WR與P2.7相或后進行控制;轉換結束信號EOC經反相器反相后向803l申請中斷。顯然,啟動轉換與讀取數據的接門地址要求P2.7為0。

圖2 流量自動檢測系統圖
3.程序設計
8路流量巡問檢測系統控制流程圖如圖3。主程序完成各種初始化工作,如中斷初始化設置,數據緩沖區指針設置,賦通道號初值,啟動轉換。然后進入主循環程序段,反復調用諸如數字濾波、標度變換、越限處理、顯示輸出等子程序。中斷服務程序則完成讀取轉換數據、修改通道號、啟動下一通道等功能。

圖3 8路流量巡回檢測系統流程圖
4.工作原理
檢測系統的工作過程如下:首先由安裝在管道接頭中的壓力傳感器和流量傳感器將管道中的壓辦和流量信息轉換成對應的電信號,經多路模擬開關對各路模擬輸入信號分時轉化后進行A/D轉換,然后通過I/O接口電路傳輸給微機,微機根據存儲在ROM的程序,向多路采樣開關陣列的選通地址譯碼器寫入要采樣的傳感器地址,由譯碼器接通該地址對應的采樣開關,所要采樣的信號被連接到高精度放大器,放大后的信號經A/D轉換器轉換成數字量,微機通過數據總線接收該信號。為了隨機誤差統計處理的需要,每個采樣點需要快速地采樣多遍。一個采樣點采樣結束后,微機轉而發送第二個采樣地址,對第二個傳感器采樣,直至全部被測點均被采樣完畢為止。微機不可能同時讀取所有傳感器來的信號,而是快速地輪流讀取所有的被測量,這種采樣方式稱為“巡回檢測”。采樣結束后,所有的采樣值還需要經過誤差統計處理,剔除粗差,求取算術平均值,然后存儲在RAM中。微機根據預定程序,將有關的采樣值作一系列的運算、比較、判斷,將運算的結果分別送顯示終端和打印終端,并將某些數值送到輸出接口,輸出接口將各數字量分別送到位控信號電路和多路D/A轉換電路,去控制各種執行機構和顯示器,顯示出各監測點流體的壓力和流量。若管道產生泄露,則某些信號超限,微機立即起動聲光報警電路進行報警,實現對管道內流體的動態監測。
結束語
本文總結了基于ADC0809的流量自動檢測系統設計方案。該檢測系統由于選用的是帶有8路模擬通道選擇開關,并有與微處理器兼容的控制邏輯的8通道8位A/D轉換器ADC 0809和8031單片機作為微處理器,因此具有結構簡單、性能可靠、工作穩定、成本較低的特點。若將流量傳感器替換為壓力傳感器或溫度傳感器,則該系統還可以用來檢測壓力或溫度。
電話:18923864027(同微信)
QQ:709211280
〈烜芯微/XXW〉專業制造二極管,三極管,MOS管,橋堆等,20年,工廠直銷省20%,上萬家電路電器生產企業選用,專業的工程師幫您穩定好每一批產品,如果您有遇到什么需要幫助解決的,可以直接聯系下方的聯系號碼或加QQ/微信,由我們的銷售經理給您精準的報價以及產品介紹

