實現擴壓電路常用的有三種方法:
1. 固定抬高輸出電壓
電路如圖1所示。如果需要輸出電壓Uo高于手頭現有的穩壓塊的輸出電壓時,可使用一只穩壓二極管DW將穩壓塊的公共端電位抬高到穩壓管的擊穿電壓Vz,此時,實際輸出電壓Uo等于穩壓塊原輸出電壓與Vz之和。將普通二極管正向運用來替代DW,同樣可起到抬高輸出電壓的作用。例如,想為自己的錄音機裝一個6V、500mA的穩壓電源,而手頭只有一只7805穩壓器,則可按圖2電路安裝。D1選用2CP(IN4001)類硅二極管,其上壓降約為0.8V,這樣輸出就約為5.8V,足以滿足錄音機的需要了。若將D1換成發光二極管LED,不但能提高輸出電壓,而且LED發光還起到電源指示作用。


2.輸出電壓可調電路
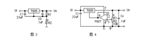
利用78**系列固定輸出穩壓電路,也可以組成電壓可調電路,如圖3所示。輸出電壓Uo=Uxx(1+R2/R1),其中Uxx為穩壓塊標稱輸出電壓。顯然,若將R1、R2數值固定,該電路就可用于固定抬高輸出電壓。如果將R1或R2換成光敏電阻,便可構成光控輸出電壓關斷電路。圖4用運放作為電壓跟隨器,克服了穩壓塊靜態電流Io的影響,輸出電壓Uo=Uxx(1+R2/R1),其中R1為電位器中心抽頭與A點之間的電阻值,R2為電位器中心抽頭與B點之間的電阻值。電路中運放亦可用741運放,輸出電壓從7-30V連續可調。


3.電壓極性變換電路
如果需要正電壓輸出而手頭只有79**系列穩壓塊或需要負電壓輸出而手頭只有78**系列穩壓塊,這種情況下,可以采用圖5、6電路進行極性轉換,注意輸入電壓不是對地而是懸空輸入的。
電話:18923864027(同微信)
QQ:709211280
電話:18923864027(同微信)烜芯微專業制造二極管,三極管,MOS管,橋堆等20年,工廠直銷省20%,上萬家電路電器生產企業選用,專業的工程師幫您穩定好每一批產品,如果您有遇到什么需要幫助解決的,可以點擊右邊的工程師,或者點擊銷售經理給您精準的報價以及產品介紹

