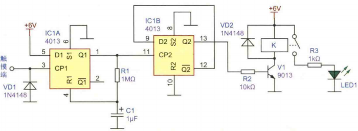
這是一個用4013組成的觸摸開關電路,只要用手觸摸一次開關即可接通,再觸摸一次開關斷開。電路原理圖見下圖所示。


由于CMOS電路的輸入端均為場效應管結構,而場效應管是一種電壓控制元件,它有極高的輸入阻抗,約幾十兆歐。它的輸入端幾乎不消耗電流,因此只要用手觸摸,人體產生的微弱感應電壓就足可以使電路翻轉。
在本電路中,IC1A與R1、C1組成單穩態觸發器,用來執行延時和消除觸摸時的干擾和抖動。電路輸入端第3腳所加的二極管VD1為輸入端保護二極管,用來泄放積累的電荷和過高的反向電壓。IC1B接成雙穩態觸發器形式,用來控制繼電器K的接通與斷開。當用手觸摸4013的第3腳時,人體的感應信號送入
ICIA的CP1端,IC1A觸發翻轉,Q1將輸出高電平,該高電平一路送入ICIB的 CP2端,使ICIB觸發翻轉,Q2(第13腳)輸出高電平,經過R2送入V1的基 極,驅動繼電器K吸合,LED1點亮,表明開關已經接通。另一路通過電阻Rl 向電容C1充電,由于電容兩端電壓不能突變,此時IClA的Q1高電平加至R1 端(第4腳),使得ICIA復位,Q1輸出恢復為低電平,ICIB的CP端(第11腳) 也為低電平。C1經過一小段時間充滿電后,R1(第4腳)恢復為低電平,IC1A 恢復為穩態,等待下次觸發。
由于ICIB是雙穩態觸發器,當ICIA再次被觸發時,CP2端(第11腳)將再次輸入高電平信號,IC1B再次翻轉,Q2(第13腳)將變為低電平,繼電器 K斷開,LED1熄滅。完成一次開、關轉換過程。
烜芯微專業制造二極管,三極管,MOS管,橋堆等20年,工廠直銷省20%,4000家電路電器生產企業選用,專業的工程師幫您穩定好每一批產品,如果您有遇到什么需要幫助解決的,可以點擊右邊的工程師,或者點擊銷售經理給您精準的報價以及產品介紹
烜芯微專業制造二極管,三極管,MOS管,橋堆等20年,工廠直銷省20%,4000家電路電器生產企業選用,專業的工程師幫您穩定好每一批產品,如果您有遇到什么需要幫助解決的,可以點擊右邊的工程師,或者點擊銷售經理給您精準的報價以及產品介紹

