三極管單級放大電路在電子電路中是應用最多的單元電路。三極管單級放大電路有共基極放大器、共發射極放大器、共集電極放大器3 種。
方法與技巧
區別這3 種放大器的最簡單方法就是查看放大管的交流接地引腳,就可以確認放大器的種類,比如,放大管的發射極交流接地,則該放大器就是共發射極放大器。
1.共發射極放大器
共發射極放大器是應用最廣泛的放大器。所謂的共發射極放大器就是信號輸入和信號輸出都要依靠發射極完成的放大器。圖6-1所示是一種典型的共發射極放大器。在該放大器內,VT 是放大管,C1 是輸入信號耦合電容,C2 是輸出信號耦合電容,R1、R2 是VT 基極的直流偏置電阻,R3 是VT 的集電極負載電阻,VCC 是供電電壓,Ui 是輸入信號,Uo 是輸出信號。

圖6-1 共發射極放大器及信號波形
(1)直流偏置
供電電壓VCC 通過R1、R2 分壓后,加到VT 的基極,為基極提供直流偏置電壓,基極電壓Ub≈VCCR2 /(R1 + R2)。流過R1 的電流分兩路到地:一路通過R2 到地,另一路通過VT 的發射結到地。
(2)信號放大過程
輸入信號Ui 經C1 耦合到VT 的基極,使VT 的基極電流Ib 隨Ui 變化而變化,致使VT 的集電極電流Ic 隨之變化,并且變化量為βIb。Ic 在R3 兩端產生隨之變化的壓降U3,而VCC 減去U3 就是VT 的集電極電壓Uc。因此,Uc 與Ui 的相位相反,也就是說,該放大器屬于倒相放大器。Uc 經C2 耦合后得到交流輸出信號Uo。
通過以上分析可知,共發射極放大器不僅有電流放大功能,而且還有電壓放大功能。
2.共集電極放大器
共集電極放大器也是應用十分廣泛的一種放大器。圖6-2所示是一種典型的共集電極放大器。在該放大器內,VT 是放大管,C1 是輸入信號耦合電容,C2 是輸出信號耦合電容,R1 是VT 基極的直流偏置電阻,R2 是VT 的發射極電阻,VCC 是供電電壓,Ui 是輸入信號,Uo 是輸出信號。

圖6-2 共集電極放大器及信號波形
提示
前面我們曾介紹過,放大器哪個極交流接地,該放大器就屬于哪類放大器,有的讀者可能要問,圖6-2 中的VT 的集電極并未接地,它怎么就是共集電極放大器呢?這是因為電源VCC 的內阻較小,并且電源兩端都會接有大容量的濾波電容,所以電源在交流狀態下相當于短路。因此,VT 的集電極是通過電源VCC 及其濾波電容接地的。
(1)直流偏置
電源電壓VCC 通過R1 限流加到VT 的基極,為基極提供直流偏置電壓?;鶚O電流Ib≈(VCC-Ube)/[R1+(1+β)R2],基極電流回路是:VCC→R1→VT 的發射結→R2→地。
(2)信號放大
輸入信號Ui 經C1 耦合到VT 的基極,使VT 的基極電流Ib 隨Ui 變化而變化,致使VT 的發射極電流Ie 隨之變化,并且變化量為(1 + β)Ib。Ie 在R2 兩端產生隨之變化的壓降U2。U2 經C2 耦合后得到交流輸出信號Uo。由于Uo 與Ui 的相位相同,所以該放大器也叫射極跟隨放大器,簡稱射極跟隨器。
通過以上分析可知,共集電極放大器的輸入信號Ui 是從放大器的基極、發射極之間輸入的,輸出信號Uo 取自發射極。由于U2 等于Ub−0.6V,所以該放大器僅有電流放大功能,而沒有電壓放大功能。
提示
由于共集電極放大器具有輸入阻抗高、輸出阻抗低的優點,所以在多級放大電路中,通常利用共集電極放大器將前級和后級放大器進行隔離,由它對信號進行緩沖放大,以免前、后級放大器互相影響。又因共集電極放大器具有電流放大功能,所以不僅串聯穩壓電源采用此類放大器,而且有的多級放大電路的末級放大器也采用此類放大器。
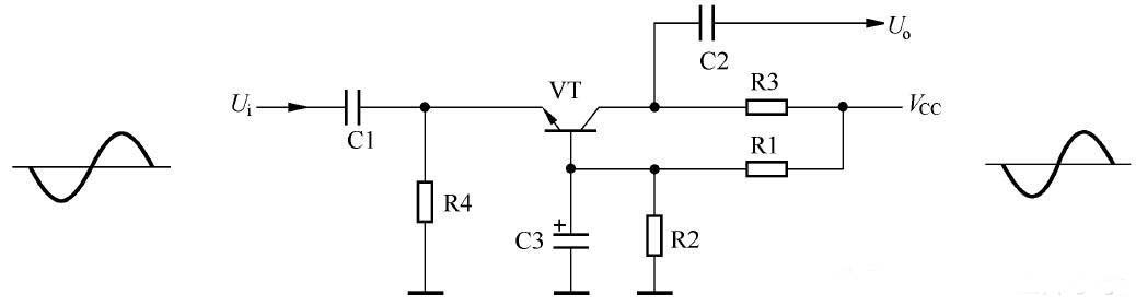
3.共基極放大器
共基極放大器的應用較前兩種放大器要少得多。圖6-3所示是一種典型的共基極放大器。在該放大器內,VT 是放大管,C1 是輸入信號耦合電容,C2 是輸出信號耦合電容,C3 是基極的交流接地電容,R1、R2 是VT 基極的直流偏置電阻,R3 是VT 的集電極負載電阻,R4是VT 的發射極電阻,VCC 是供電電壓,Ui 是輸入信號,Uo 是輸出信號。

圖6-3 共基極放大器及信號波形
(1)直流偏置
電源電壓VCC 不僅通過R3 加到VT 的集電極,為它供電,而且通過R1、R2 分壓后,加到VT 的基極,為基極提供直流偏置電壓,Ub≈VCCR2/(R1+R2)。流過R1 的電流分兩路到地:一路是通過R2 到地,另一路是通過VT 的發射結、R4 到地。
(2)信號放大
輸入信號Ui 經C1 耦合到VT 的發射極,使VT 的發射極電流Ie 隨Ui 變化而變化,致使VT 的集電極電流Ic 隨之變化。Ic 在R3 兩端產生隨之變化的壓降U3,而VCC 減去U3 就是VT 的集電極電壓Uc。因為Uc 與Ui 同步變化,所以相位相同。Uc 經C2 耦合后得到交流輸出信號Uo。
提示
共基極放大器具有高頻特性好的優點,但也存在輸入阻抗小和輸出阻抗大的缺點。因此,該放大器主要應用在高頻信號放大電路。
烜芯微專業制造二極管,三極管,MOS管,橋堆等,20年,工廠直銷省20%,1500家電路電器生產企業選用,專業的工程師幫您穩定好每一批產品,如果您有遇到什么需要幫助解決的,可以直接聯系上方的聯系號碼或加QQ,由我們的銷售經理給您精準的報價以及產品介紹
烜芯微專業制造二極管,三極管,MOS管,橋堆等,20年,工廠直銷省20%,1500家電路電器生產企業選用,專業的工程師幫您穩定好每一批產品,如果您有遇到什么需要幫助解決的,可以直接聯系上方的聯系號碼或加QQ,由我們的銷售經理給您精準的報價以及產品介紹

