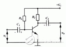
組成:電路結構
VT 電流放大元件
UCC 直流電源。與 RB、RC 配合,保證管子的發射極正偏、集電極反偏;為輸出信號提供能量。
RB 基極偏置電阻。與 UCC 配合,為晶體管提供合適的基極電流。
RC 集電極負載電阻。將晶體管的電流放大作用轉化為電壓放大。
C1.C2 耦合電容。“隔直通交”。
發射極是輸入、輸出回路的公共端。




2. 電路組成:(1)三極管T;
(2)VCC:為JC提供反偏電壓,一般幾~ 幾十伏;
(3)RC:將IC的變化轉換為Vo的變化,一般幾K~幾十K。 VCE=VCC-ICRC RC ,VCC 同屬集電極回路。
(4)VBB:為發射結提供正偏。


(6)Cb1,Cb2:耦合電容或隔直電容,其作用是通交流隔直流。
(7)Vi:輸入信號
(8)Vo:輸出信號
(9)公共地或共同端,電路中每一點的電位實際上都是該點與公
共端之間的電位差。圖中各電壓的極性是參考極性,電流的
參考方向如圖所示。
共射放大電路的組成
1、放大的概念
在電子電路中,放大的對象是變化量,常用的測試信號是正弦波。放大的本質是在輸入信號的作用下,通過有源元件(晶體管或場效應管)對直流電源的能量進行控制和轉換,使負載從電源中獲得的輸出信號能量,比信號源向放大電路提供的能量大得多,因此放大的特征是功率放大。放大的前提是不失真,換言之,如果電路輸出波形產生失真便談不上放大。
2、放大電路的組成原則
①放大電路的核心元件是有源元件,即晶體管或場效應管;②正確的直流電源電壓數值、極性與其它電路參數應保證晶體管工作在放大區、場效應管工作在恒流區,即建立起合適的靜態工作點,保證電路不失真;③輸入信號應能夠有效地作用于有源元件的輸入回路,即晶體管的b-e回路,場效應管的g-s回路;輸出信號能夠作用于負載之上。
3、放大電路的主要性能指標
放大倍數A、輸入電阻Ri、輸出電阻Ro、最大不失輸出電壓Uom、下限、上限截止頻率fL和fH、通頻帶fW、最大輸出功率Pom、效率η。
放大電路的框圖
烜芯微專業制造二極管,三極管,MOS管,橋堆等20年,工廠直銷省20%,4000家電路電器生產企業選用,專業的工程師幫您穩定好每一批產品,如果您有遇到什么需要幫助解決的,可以點擊右邊的工程師,或者點擊銷售經理給您精準的報價以及產品介紹
烜芯微專業制造二極管,三極管,MOS管,橋堆等20年,工廠直銷省20%,4000家電路電器生產企業選用,專業的工程師幫您穩定好每一批產品,如果您有遇到什么需要幫助解決的,可以點擊右邊的工程師,或者點擊銷售經理給您精準的報價以及產品介紹

