發光二極管是什么
發光二極管可能對于一些人來說是比較陌生的,但是它廣泛的應用在我們生活電子中,比如最常見的紅綠燈、led屏幕、電路儀器指示燈、或者一些組成文字或數字等。發光二極管簡稱為LED,由含鎵(Ga)、砷(As)、磷(P)、氮(N)等的化合物制成,當它們的電子和空穴復合時,將放出光子,并能發出可見光,這樣的二極管就是發光二極管,用符號VD表示。發光二極管在正向電壓作用下發光,反向電壓作用時截止,工作電流一般在幾毫安到十幾毫安之間,所以使用時應串聯限流電阻。


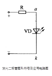
發光二極管圖形符號及應用電路圖
發光二極管發光工作原理
對于不同的半導體制造合成材料,發光二極管會發出紅、黃、藍、綠等不同的可見光色。發光二極管作為半導體二極管的一種,是能夠蔣電能轉為為光能,和普通的發光二極管一樣,發光二極管也是有PN結組成。具有單向導電性,當發光二極管正向電壓上升后,從P區注入到N去的空穴和由N區注入到P區的電子會在PN結附近數微米內分別與N區的電子和P區的空穴相結合,產生自發輻射的熒光。
| 發光二極管的參數 | |||||||
| 型號 | 發光顏色 | 發光波長(nm) | 正向工作電流(mA) | 正向工作電壓(V) | 反向電壓(mA) | 極限工作電流(mA) | 發射功率(MW) |
| BT201 | 紅 | 655 | 20 | ≤2.0 | ≥5 | 70 | — |
| BT301 | 綠 | 555 | 30 | 1.1~1.3 | ≥5 | 60 | — |
| HG411 | 紅外 | — | 30 | ≤1.5 | ≥5 | — | 1~1.5 |
| HG521 | 紅外 | 930 | ≤2.0 | — | 3A | 100~150 | |
發光二極管電路圖符號
發光二極管管體有大小兩個點狀固態符號,點狀較大的為正極(陽極),點狀小的為負極(陰極),也有管腳長短不一的發光二極管,這種的很好辨認“長正短負”。


發光二極管電路符號詳解
發光二極管作為在日常電子中幾乎必存的電子元器件,它能夠發出紅、綠、藍、黃等光能顏色,用眼睛觀察發光二極管,可以直接辨認正負極,管柱可看到管內一大一小兩個電極標識,正常的情況下,大正小負;管腳型發光二極管判斷正負極為長正短負。以前的發光二極管是可以通過本身的顏色判斷該二極管光能顏色,技術的進步,現在的透明發光二極管暫時沒辦法從本身判斷,只能通電后顯示才知道該二極管的顏色。

烜芯微專業制造二極管,三極管,MOS管,橋堆等20年,工廠直銷省20%,1500家電路電器生產企業選用,專業的工程師幫您穩定好每一批產品,如果您有遇到什么需要幫助解決的,可以點擊右邊的工程師,或者點擊銷售經理給您精準的報價以及產品介紹

